產品介紹PRODUCT
壓鑄機
注塑機
擠壓機
立磨
AFC
| 型號 | 単位 | 2500MMX | ||||
|---|---|---|---|---|---|---|
| 340 | 470 | 740 | ||||
| 注 射 |
螺桿 | mm | 135 | 150 | 175 | |
| 理論注射容量 | cm3 | 9,660 | 13,200 | 21,000 | ||
| 注射質量 | 聚苯乙烯(PS) | g | 8,890 | 12,100 | 19,300 | |
| 聚乙烯(PE) | 7,150 | 9,770 | 15,500 | |||
| 射出圧力 | MPa (kgf/cm2) |
177 (1,800) |
161 (1,640) |
|||
| 注射速度 | mm/sec | 88 | 76 | 66 | ||
| 注射率 | cm3/sec | 1,260 | 1,350 | 1,595 | ||
| 塑化能力(PS) | kg/hr | 700 | 750 | 805 | ||
| 螺桿回轉速度 | rpm | 112 | 110 | 87 | ||
| 合 模 |
合模力 | kN (tf) |
24,516 (2,500) |
|||
| 開模力 | 2,059 (210) |
|||||
| 合模速度(高速) | m/min | 45 | ||||
| 開模速度(高速) | ||||||
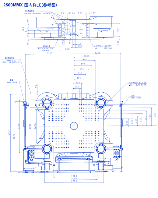
| 模具尺寸(H×V) | mm | 2,550×2,300 | ||||
| 拉桿間隙(H×V) | 2,000×1,650 | |||||
| 合模行程 | 2,800 | |||||
| 最大間距 | 3,600 | |||||
| 模具厚度 | 800~1,700 | |||||
| 頂出器 | 頂出力 | kN (tf) |
490(50) | |||
| 行程 | mm | 400 | ||||
| 一 般 |
油泵用電機 | kW | 177 | 200 | 223 | |
| 加熱器容量(380V/50Hz) | 67.5 | 84.8 | 111.7 | |||
| 作動油容量(油箱內) | L | 2,600 [2,000] |
3,200 [2,500] |
3,900 [3,100] |
||
| 機械尺寸 | L | m | 13.9 | 15.0 | TBD | |
| W | 4.3 | |||||
| H | 3.4 | |||||
| 機械質量 | ton | 118 | 124 | TBD | ||
注)
1.本表的數値如遇變更,恕不另行通知。
2.本表的數値為60Hz,50Hz共通。(加熱器的電氣容量除外)
3.注射重量,注射率,可塑化能力會由于使用的樹脂,成形條件的不同而發生變化。如需使用最大能力的話,還請和敝公司商談。
4.TBD : 未定

咨詢電話號碼
宇部興產機械(上海)有限公司
中國上海市浦東外高橋保稅區富特北路91號
Copyright?2015 Ubekousan inc.,japan All Rights Reserved 滬ICP備05026110號-1